555 Timer Flyback Driver
This is a short, probably relatively unstructured write-up of my progress on building a 555 timer-based flyback driver, using the a 555 timer in astable mode to generate a high frequency square wave signal to drive a MOSFET (Metal Oxide Semiconductor Field Effect Transistor) in order to drive flyback transformer to generate a high voltage output.
Flyback transformers typically operate between 15 kHz and 150 kHz. The exact frequency depends on the specific electronic device they were designed for, often a cathode ray tube, such as an older television or oscilloscope, where the operational frequency of the transformer is related to the horizontal scanning rate.
Sources / Inspiration
This circuit was designed by Uzzors2k’s - all credit to him.
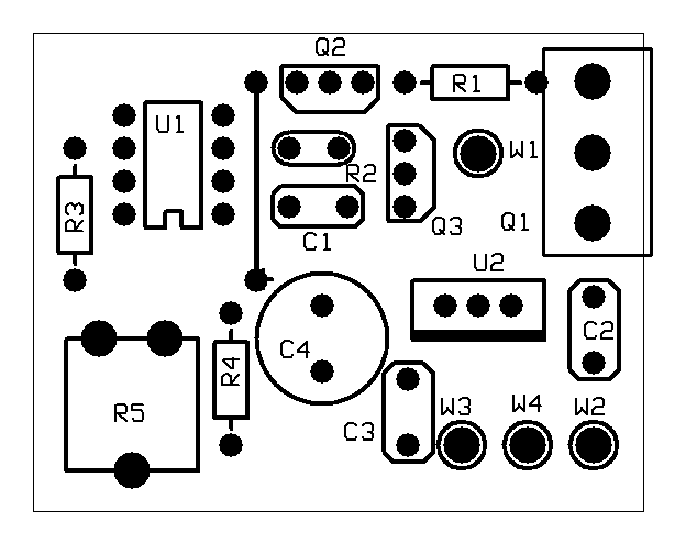
Schematics

PCB by http://uzzors2k.com/index.php?page=flybacktransformerdrivers
| Top | Bottom |
|---|---|
![]() |
![]() |
Circuit Operation
The 7812 voltage regulator provides a stable 12V supply to the 555 timer.
The 555 timer produces a square wave to drive the main switching MOSFET.
Timing Calculations
The 555 timer in astable mode produces a square wave with frequency determined by:
\[f = \frac{1.44}{(R_1 + 2R_2) \cdot C_2}\]With our values (R₁ = 10kΩ, R₂ = 16kΩ, RV₁ = 0-50kΩ, C₂ = 1nF):
Minimum frequency (RV₁ = 50kΩ): \(f_{min} = \frac{1.44}{(10k + 2(16k + 50k)) \cdot 1nF} = 10.1\text{ kHz}\)
Maximum frequency (RV₁ = 0Ω): \(f_{max} = \frac{1.44}{(10k + 2 \cdot 16k) \cdot 1nF} = 34.3\text{ kHz}\)
The duty cycle is: \(D = \frac{R_1 + R_2}{R_1 + 2R_2} \approx 62\%\)
Bill of Materials
| Component | Value/Part Number | Notes | Cost |
|---|---|---|---|
| IC1 (U1) | NE555 Timer | Requires DIL8 socket | $2.25 |
| Socket | DIL8 Socket | For NE555 | $0.38 |
| Q1 | IRFP450 | Rated 500V, 14A (PCB version) | TBD |
| Heatsink | TO-220 Heatsink | For IRFP450 | $1.45 |
| T1 | Flyback Transformer | Salvaged from CRT | $0.00 |
| R1 | 10Ω Resistor | 1W, gate resistor | $0.33 |
| R2 | 470Ω Resistor | 1W | $0.33 |
| R3 | 10kΩ Resistor | 1W, timing | $0.33 |
| R4 | 18kΩ Resistor | 0.5W, timing | $0.11 |
| R5 (RV1) | 50kΩ Potentiometer | Frequency adjust | $3.95 |
| C1 | 1nF Ceramic | 50V rated, timing capacitor | $0.45 |
| C2 | 100nF Ceramic | 50V rated, decoupling | $0.55 |
| C3 | 100nF Ceramic | 50V rated, decoupling | $0.55 |
| C4 | 470µF Electrolytic | 50V rated, power smoothing | $1.20 |
| IC2 (U2) | 7812 Voltage Regulator | 12V output, TO-220 | $0.95 |
| Q2 | 2N3904 NPN Transistor | Small signal | $0.75 |
| Q3 | 2N3906 PNP Transistor | Small signal | $0.75 |
| Total (excluding Q1): | $14.33 |
Breadboard Prototype
Component Substitutions
The original circuit specified an IRFP450 (avalanche-rated 500V, 14A N-channel MOSFET). I initially built using an IRF540N (avalanche-rated 100V, 33A MOSFET) - below the author’s recommendation of “any MOSFET with breakdown voltage above 200V and avalanche rated.”
Other substitutions:
- 16kΩ resistor instead of specified 18kΩ (R4)
- 220µF capacitor instead of specified 470µF (C4)
Performance
The breadboard prototype has been current-limited by contact resistance. Short run cycles drawing 3-5A have produced impressive results (and a little smoke)!
Video of initial build output at 15V, drawing ~3-5A under load:

Oscilloscope Measurements
Measuring the circuit between pin 3 of the 555 timer and circuit ground confirmed square wave output of between 20 and 35 kHz depending on potentiometer configuration.
Under load (primary coil connected):
Interestingly, the signal sags at the start of each cycle under load, likely due to the inductive kickback from the flyback transformer.
| Measurement 1 | Measurement 2 |
|---|---|
![]() |
![]() |
No load (primary coil disconnected):
Clean square wave with consistent amplitude when the flyback transformer is disconnected.
| Measurement 1 | Measurement 2 |
|---|---|
![]() |
![]() |
PCB Implementation Plan
Moving from breadboard to a proper PCB build with the following improvements:
Key Upgrades
- Hot-swappable DIL8 socket for 555 timer (easier troubleshooting)
- IRFP250 MOSFET (200V, 30A) instead of IRF540N for better voltage headroom
- Proper heatsinking for 7812 voltage regulator to prevent thermal shutdown
- Correct component values - 18kΩ resistor and 470µF capacitor as per original design
- Provisions for isolated audio modulation circuit for musical arc generation
Component Sourcing
| Component | Value/Part Number | Qty | Jaycar Code | Cost |
|---|---|---|---|---|
| IC1 | NE555 Timer | 1 | ZL3555 | $2.25 |
| Socket | DIL8 Socket | 1 | PI6500 | $0.38 |
| Q1 | IRFP250 | 1 | ZT2468 | TBD |
| R4 | 18kΩ Resistor | 1 | RR0596 | TBD |
| C4 | 470µF Electrolytic | 1 | RE6166 | TBD |





